
服務熱線:

水處理咨詢熱線:
18610499831
銷售熱線:010-67063676
辦公傳真:010-67063676
江蘇辦事處
咨詢熱線:13240937831
新疆辦事處
咨詢熱線:13121661240
哈薩克斯坦辦事處
咨詢熱線:18910211986
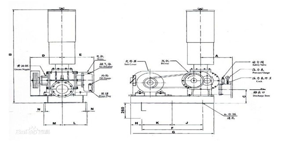
污水處理站、廠的生化系統多采用羅茨風機來進行氣體輸送。這種風機是容積式風機的一種結構簡單,制造方便。三葉轉子結構形式及合理的殼體內進出風口處的結構,風機運行時振動小,噪聲低,性能持久不變,可長期連續運轉。
![]() | ![]() |
羅茨風機是高速運轉的機器所以會產生震動,所以在安裝羅茨風機時要固定在地面上。為了提高設備運行安全性,通過地腳螺栓,螺母,減震墊把風機固定起來,并且由于減小了震動,從而也大大延長了風機的使用壽命。羅茨風機的安裝比較簡單,只需要將出口消音器后配套配件與管道口相連即可羅茨風機作為水處理過程中重要的機械部件在廢水處理中發揮巨大的作用。
羅茨風機安裝注意事項:??????
(1)風機安裝時,應察看地基是否牢固,表面是否平整等。
(2)根據進排氣口方向和維修需要,基礎面四周應留有適當寬裕的空間。???
(3)必要時,風機應設置防雨棚。???
風機在不大于40℃的環境溫度下可長期使用,超過40℃時,應安裝排氣扇等降溫措施,以提高風機使用壽命。
調試注意事項:
應對風機各部件全面進行檢查,機件是否完整,各螺栓、螺母的連接松緊情況、各緊固件和定位銷的安裝質量、進排氣管道和閥門安裝質量等。?
為了保證鼓風機安全運行,不允許承載管道、閥門等外加負荷。?????????
向油箱注入規定牌號之機械油至油位線之中,潤滑油牌號為N220的中負荷工作齒輪油。???
羅茨風機通電試運轉時,須取下電機皮帶,確認轉向符合規定方向方可投入使用。(轉向按防護罩指示方向)要求逐步緩慢地調節,帶上負荷直至額定負荷,不允許一次即調節至額定負荷。

友情鏈接
星漢阿卡索環境科技(北京)有限公司 地址:北京采育經濟開發區育政街8號 總機:010-67063676 郵箱:saewater@163.com 網址:http://m.hebjieming.com 版權所有 星漢阿卡索環境科技(北京)有限公司 京ICP備15037303號
下載電子圖冊,領紅包
微信公共號